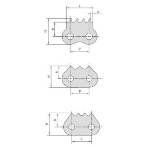
Las cadenas transportadoras de madera son utilizadas por las empresas de procesamiento de madera para transportar madera, y los principales productos son las cadenas de dientes puntiagudos, entre otros.