Cadena de dientes afilados para uso en entornos húmedos y polvorientos

La cadena dentada afilada es un tipo de cadena de transmisión, su estructura se caracteriza por una serie de placas dentadas y placas guía ensambladas alternativamente, y a través del pasador o una combinación de elementos articulados conectados para formar, el paso adyacente es articulaciones con bisagras.

Descripción

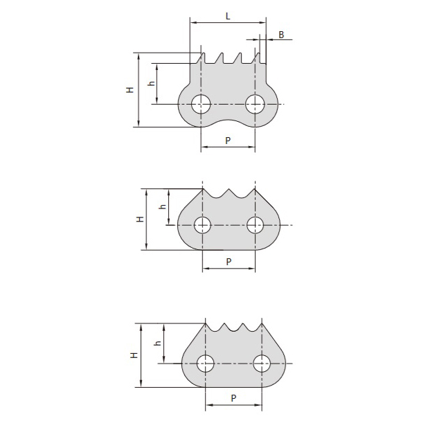
La cadena de cúspides, clasificada por tipo de guía, incluye cadena dentada con guía externa, cadena dentada con guía interna y cadena dentada con doble guía interna. Esta transmisión por cadena utiliza el engranaje preciso de los dientes de la cadena y la rueda dentada para transmitir potencia y movimiento, lo que garantiza una relación de transmisión media precisa.

Ventajas

  • Alta potencia de transmisión y gran capacidad de sobrecarga
  • Tamaño compacto de la transmisión para las mismas condiciones de trabajo
  • Requiere menos fuerza de tensión
  • Funciona de forma fiable en entornos difíciles, incluyendo altas temperaturas, humedad, polvo y contaminación

Desventajas

  • Mayor coste en comparación con otros tipos de cadenas
  • Sensible al desgaste y al alargamiento
  • Escasa suavidad de transmisión, con carga dinámica adicional, vibraciones, golpes y ruido durante el funcionamiento
  • No es adecuado para aplicaciones de transmisión con cambios rápidos de sentido.

En resumen, las cadenas de cúspides son ideales para aplicaciones que requieren una transmisión de alta potencia en entornos exigentes, pero pueden no ser adecuadas para tareas que requieren inversiones rápidas frecuentes o un mínimo de ruido y vibraciones.

Parámetros técnicos

mesa técnica con cadena superior afilada

Mesa técnica con cadena superior afilada