Piñones triplex con bloqueo cónico 16B-3 Cadena de rodillos estándar ISO

Este diseño utiliza un cubo cónico y un agujero cónico correspondiente, lo que permite montar el piñón de forma segura en el eje utilizando casquillos de bloqueo cónicos sin crear holgura.
Modelo: piñón con bloqueo cónico tipo B 16B-3.
Material: C45, acero inoxidable, acero endurecido, etc.
Tratamiento superficial: dientes endurecidos, óxido negro, zincado, electroforesis, etc.

Descripción

El piñón con casquillo de bloqueo cónicoofrece un robusto ajuste mecánico por interferencia entre el cubo de la rueda dentada y el eje, lo que garantiza una conexión sólida y fiable para una transmisión de potencia suave y eficiente. Este diseño minimiza la pérdida de energía y mejora la eficiencia general del sistema.

Características principales

  • Ajuste mecánico por interferencia:Conecta de forma segura el cubo de la rueda dentada y el eje para una fiabilidad superior y un deslizamiento reducido.
  • Transmisión de potencia eficiente:Funcionamiento suave con menos fricción y ruido, gracias al preciso diseño de los dientes.
  • Larga vida útil:Los materiales y el diseño duraderos prolongan la vida útil de las ruedas dentadas y las cadenas, minimizando el tiempo de inactividad y los costes de mantenimiento.
  • Opciones de materiales:
    • Acero C45:Equilibra resistencia y economía para aplicaciones generales.
    • Acero inoxidable:Excelente resistencia a la corrosión, ideal para entornos hostiles.
    • Acero endurecido:Tratado térmicamente para mejorar la resistencia al desgaste y la durabilidad.
  • Mantenimiento reducido:Se requieren menos sustituciones, lo que reduce los costes operativos generales.

Especificaciones técnicas

  • N.º ISO:16B-3 (1″ x 17,02 mm)
  • Paso:25,4 mm
  • Ancho interior:17,02 mm
  • Diámetro del rodillo:15,88 mm
  • Ancho del diente:79,6 mm
  • Ba:2,5 mm (anchura del radio)
  • Rx:26,0 mm (radio mínimo del diente)

Ventajas

  • Conexión resistente y fiable para sistemas de alto rendimiento
  • Fricción y ruido reducidos para un funcionamiento más suave
  • Mayor vida útil y menores costes de mantenimiento
  • Opciones de materiales versátiles que se adaptan a diversos entornos

Elija nuestra rueda dentada con casquillo de bloqueo cónico para obtener una durabilidad superior, una transmisión de potencia eficiente y un bajo mantenimiento en aplicaciones exigentes.

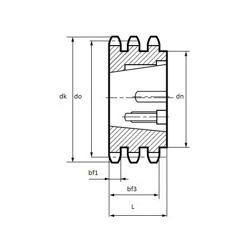
Parámetros técnicos

Piñones triplex con bloqueo cónico 16B-3 tabla técnica

Piñones triplex con bloqueo cónico 16B-3 tabla técnica